NCIP

The Global Professional Faucet Supplier-since 1979
Q11301
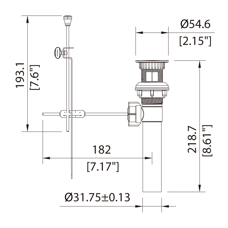
ABS pop-up drain
Chrome
Price Inquiry

Easy to assemble pop up drain for lavatory

Assembly includes pop-up rod

With overflow

Technical Specifications
  • Bathroom
  • Metal with or without ABS
Key Features
Downloads